星空最新网上盘口

FL57STH-IP65
产品中心 IP65防水型

FL57STH-IP65

1.8° 57mm, Nema 23, IP65防水型步进电机
选件:
  • FL57STH-IP65

    编码器

  • FL57STH-IP65

    齿轮箱

  • FL57STH-IP65

    接插件

  • FL57STH-IP65

    刹车

特性概要(General specification)

项目(Item)

说明(Specifications)

步距角(Step Angle)

1.8。

步距角精度(Step Angle Accuracy)

±5% (整步,空载)

径向间隙( Radial Play)

0.02mm@450 g

轴向间隙( Axial Play)

0.08mm@450 g

最大径向负载(Max. radial force)

75N  距法兰20mm  (20mm from the flange)

最大轴向负载(Max. axial force)

15N

介电强度(Dielectric Strength)

600VAC / 1S

绝缘电阻(Insulation Resistance)

100MΩ ,500VDC

环境温度(Ambient Temperature)

-20。C~+50。C

绝缘等级(Insulation Class)

Class B

防护等级(IP CODE)

IP65


电性能(Electrical specifications)

型号(Model No.)

Current

/Phase

每相

电流

Resistance

/Phase

每相

电阻

Inductance

/Phase

每相

电感

Holding

Torque

保持

转矩

Detent

Torque

定位

转矩

# of Leads

引出线数

Rotor

Inertia

转动惯量

Weight

重量

Length

机身

长度

Single shaft(单出轴)

A

Ω

mH

N.m

N.m

#

g-cm2

kg

mm

FL57STH41-2804A-IP65

2.8

0.7

1.4

0.55

0.02

4

120

0.6

46.5±1

FL57STH56-2804A-IP65

2.8

0.9

2.5

1.26

0.04

4

300

0.9

60.5±1

FL57STH76-2804A-IP65

2.8

1.13

3.6

1.89

0.068

4

480

1.2

81.5±1

 

该款电机可以根据客户需求定制。

The motor can be designed &manufactured with customized request.


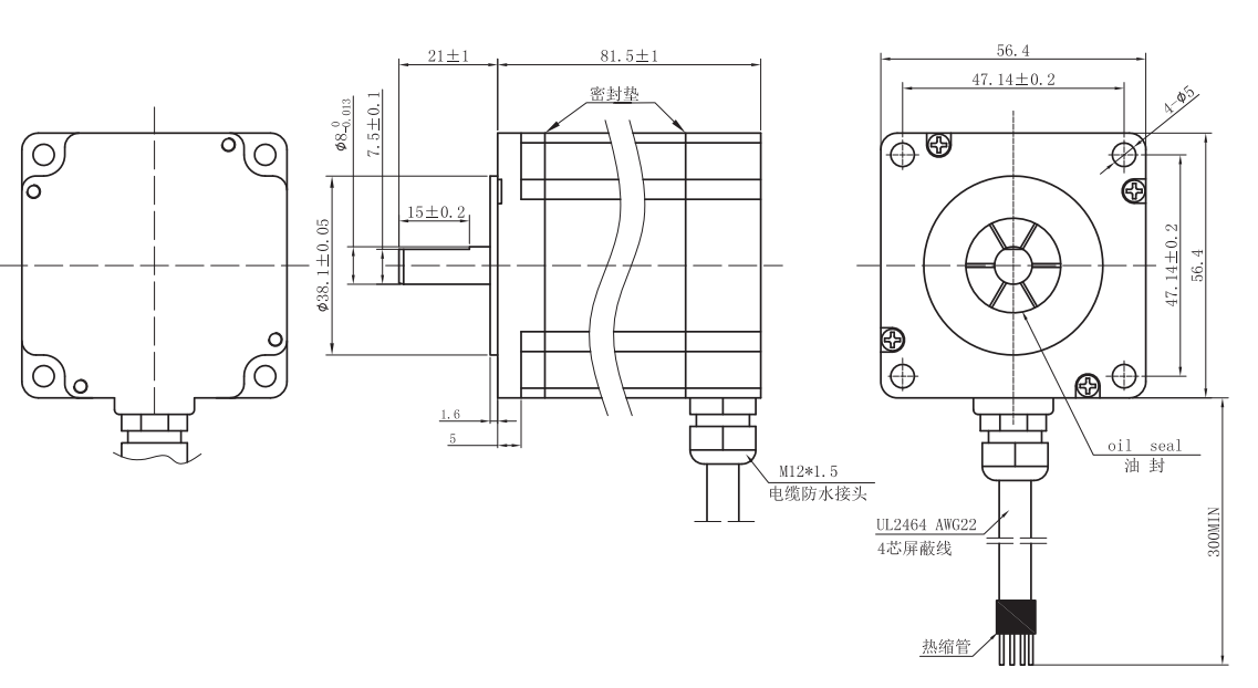
电机尺寸

image



接线图(Wiring Diagram)

image

                                         

矩频曲线 (Pull out torque curve)

image

image




资料下载
FL57STH41-2804AF-IP65 211.87 KB
FL57STH56-2804AF-IP65 212.93 KB
FL57STH76-2804AF-IP65 212.41 KB

Copyright 2023 版权所有 江苏富兴电机技术股份有限公司

靠谱外围半岛导航(官方)网站/网页版登录入口/手机版登录入口-最新版(已更新) 188BET正规权威网(官方)网站/网页版登录入口/手机版登录入口-最新版(已更新) 最大网上腾曜集团盘口(官方)网站/网页版登录入口/手机版登录入口-最新版(已更新) 网上腾曜集团导航(官方)网站/网页版登录入口/手机版登录入口-最新版(已更新) 权威网上雷火竞技足球(官方)网站/网页版登录入口/手机版登录入口-最新版(已更新) 朗驰娱乐最火导航(官方)网站/网页版登录入口/手机版登录入口-最新版(已更新) 靠谱十大雷火竞技网(官方)网站/网页版登录入口/手机版登录入口-最新版(已更新) 网上十大PM娱乐城网(官方)网站/网页版登录入口/手机版登录入口-最新版(已更新)