星空最新网上盘口

FL42SC
产品中心 闭环步进电机

FL42SC

1.8°,42mm,Nema17,闭环步进电机
选件:
  • FL42SC

    编码器

  • FL42SC

    齿轮箱

  • FL42SC

    接插件

  • FL42SC

    刹车

一般技术特性 (General Technical Information)

特性(Characteristic)

参数(Parameter)

编码器类型(Encoder type)

1、光电编码器 Optical encoder

2、磁编码器 Magnetic encoder

3、旋转变压器Resolver

备注:多种分辨率可选,增量式、绝对值式可选。

Note: Multiple resolutions are available;Incremental and absolute values are available.

径向负载(Max radial force )

28N@20mm  from the flange

 

 

 

环境条件

Environmental conditions 

使用环境温度: -20℃~ +40℃;

Temperature: -20℃~ +40℃

使用环境湿度:≤90%RH(无凝露);

Relative humidity: ≤90%RH(No dewing)

安装环境:远离腐蚀、可燃性气体,油滴,灰尘,

海拔≤1000m(1000~4000m,降额使用);

Installation environment: Far away active gas,

Combustible gas, oil drop, ash.

altitude≤1000m(1000~4000m,Derating use);

存储环境:-20℃~ +60℃,≤85%RH(无凝露)。

Storage Condition: -20℃~ +60℃,≤85%RH(No dewing).

轴向负载(Max axial force)

10N

绝缘等级(Insulation Class)

B

防护等级(Protection level)

IP30

 

电机技术性能 ( Motor Technical Specification)


单位(Unit)

 FL42SC03

 FL42SC06

FL42SC08

相电流   (Phase current)

A

2.3

2.3

2.3

保持转矩 (Holding torque)

N·m

0.3

0.6

0.8

最高转速 (Speed )

rpm

1800

1800

1800

编码器   (Encoder)


1000cpr光电增量式编码器

1000cpr incremental optical encoder

转动惯量 (Rotor inertia)

g.cm2

54

92

102

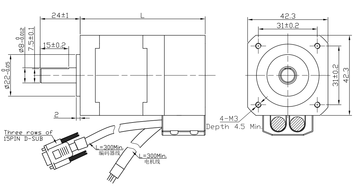
机身长度 (Motor Length) L

mm

61

76

82

重量     (Weight )

Kg

0.3

0.5

0.55

 


接线说明 (Electric Connection)  

序号

No.

引出线颜色

Lead Color

引出线型号

Lead Gauge

功能

Function

说明

Description

3

红白色(Red/White)

 

Cable

Three rows of

15PIN D-SUB

GND

Signal Power negative

2

红色(Red)

VCC:+5VDC

Signal Power positive

13

蓝色(Blue)

EA-

Two-channel differential signal (Three-channel differential signal can be provided).

1

蓝黑色(Blue/Black)

EA+

12

黑色(Black)

EB-

11

黑白色(Black/White)

EB+

1

黑色(Black)

Cable

UL2464

AWG20

A相(Phase A)


2

绿色(Green)

C相(Phase C)

3

红色(Red)

B相(Phase B)

4

蓝色(Blue)

D相(Phase D)

 

该款电机可以根据客户需求定制。

The motor can be designed &manufactured with customized request.



电机尺寸

image



矩频曲线 (Pull out torque curve)

image



资料下载
FL42SC03 204.61 KB
FL42SC06 205.04 KB
FL42SC08 204.97 KB

Copyright 2023 版权所有 江苏富兴电机技术股份有限公司

靠谱外围半岛导航(官方)网站/网页版登录入口/手机版登录入口-最新版(已更新) 188BET正规权威网(官方)网站/网页版登录入口/手机版登录入口-最新版(已更新) 最大网上腾曜集团盘口(官方)网站/网页版登录入口/手机版登录入口-最新版(已更新) 网上腾曜集团导航(官方)网站/网页版登录入口/手机版登录入口-最新版(已更新) 权威网上雷火竞技足球(官方)网站/网页版登录入口/手机版登录入口-最新版(已更新) 朗驰娱乐最火导航(官方)网站/网页版登录入口/手机版登录入口-最新版(已更新) 靠谱十大雷火竞技网(官方)网站/网页版登录入口/手机版登录入口-最新版(已更新) 网上十大PM娱乐城网(官方)网站/网页版登录入口/手机版登录入口-最新版(已更新)