星空最新网上盘口

PMG42
PMG42
产品中心 PM步进电机

PMG42

42mm 永磁式减速步进电机
选件:
  • PMG42

    编码器

  • PMG42

    齿轮箱

  • PMG42

    接插件

  • PMG42

    刹车

image

电性能参数Specifications

型号

Model

步距角

Step Angle (Deg.)

相数

No. of Phase

电压

Voltage(V)

电流

Current

(A)

电阻

Resistance(Ω)

电感

Inductance(mH)

减速比

Ratio

空载启动频率

No-load Starting Frequency

(pps)

牵出力矩

Pull-out Torque (g.cm)

引出线数

Leads

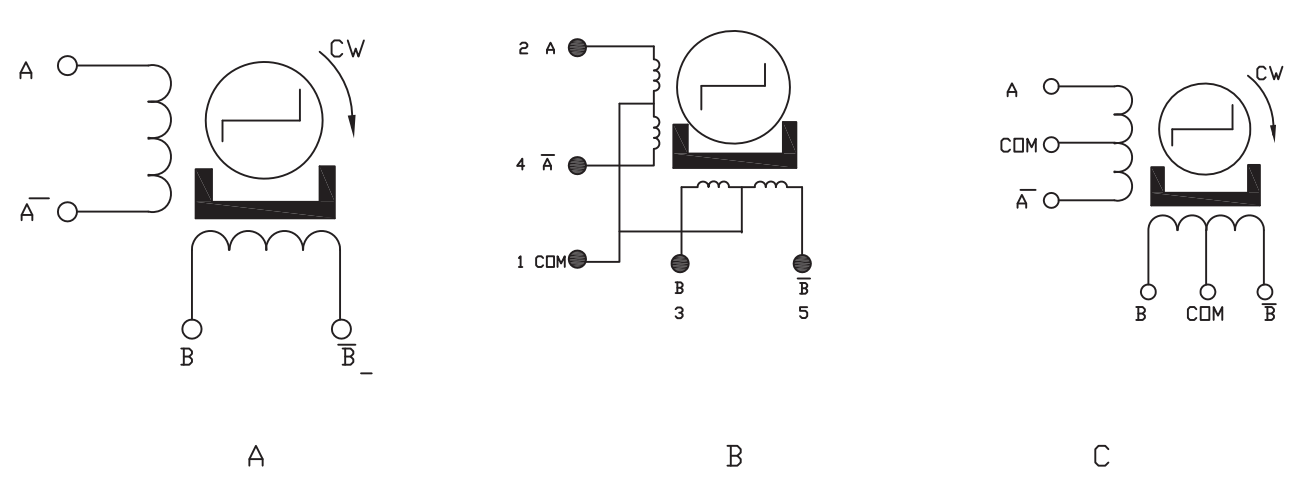
接线图

Wdg

外形图

Fig

42BYHJ01

7.5

4

12

0.44

27

15.1

1/24

380

1600

UL 1007 26#

b

1

42BYHJ3-01

7.5

2

12

0.22

54

58

1/3

270

800

UL 1007 26#

a

2

42BYHJ05-01

7.5

4

12

0.5)

10.7

5.2

1/5

450

1300

UL 1007 26#

c

3

42BYHJ7-01

7.5

2

12

0.22

54

57.6

1/7

300

1000

UL 1007 26#

a

2

42BYHJ10-06

7.5

2

24

0.133

180

260

1/10

260

1600

UL 1007 26#

a

4

42BYHJ12.25-01

3.6

2

12

0.16

75

75

1/12.25

350

90N(push)

AF 200 24#

a

5

42BYHJ15-01

7.5

4

12

0.18

66

31.6

1/15

270

1500

UL 1061 28#

c

6

42BYHJ20-01

15

4

12

0.18

66

41.6

1/20

240

1200

UL 1095 28#

c

7

42BYHJ25-02

7.5

4

12

0.44

27

63

1/24

380

1660

UL 1007 26#

b

1

42BYHJ50-08

15

4

24

0.08

300

175

1/50

210

2100

UL 1007 24#

c

8

 

该款电机可以根据客户需求定制。

The motor can be designed &manufactured with customized request.


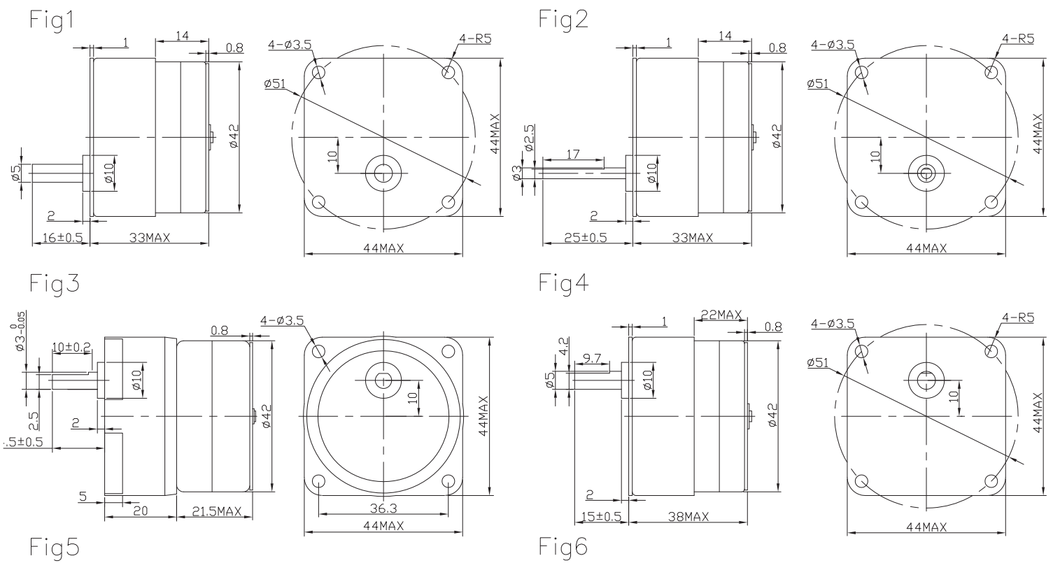
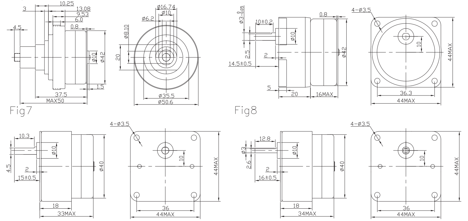
电机尺寸

image

image


接线图

image

资料下载

Copyright 2023 版权所有 江苏富兴电机技术股份有限公司

靠谱外围半岛导航(官方)网站/网页版登录入口/手机版登录入口-最新版(已更新) 188BET正规权威网(官方)网站/网页版登录入口/手机版登录入口-最新版(已更新) 最大网上腾曜集团盘口(官方)网站/网页版登录入口/手机版登录入口-最新版(已更新) 网上腾曜集团导航(官方)网站/网页版登录入口/手机版登录入口-最新版(已更新) 权威网上雷火竞技足球(官方)网站/网页版登录入口/手机版登录入口-最新版(已更新) 朗驰娱乐最火导航(官方)网站/网页版登录入口/手机版登录入口-最新版(已更新) 靠谱十大雷火竞技网(官方)网站/网页版登录入口/手机版登录入口-最新版(已更新) 网上十大PM娱乐城网(官方)网站/网页版登录入口/手机版登录入口-最新版(已更新)