星空最新网上盘口

φ36系列永磁直线步进电机
产品中心 PM步进电机

φ36系列永磁直线步进电机

富兴步进电机提供高性能的两相及三相混合式步进电机,有多种尺寸和输出扭矩,单极性或双极性控制以及单轴或双轴。产品分为标准型,力矩增强型,高防护型等,可以充分满足不同用户的各种应用需求。
选件:
  • φ36系列永磁直线步进电机

    编码器

  • φ36系列永磁直线步进电机

    齿轮箱

  • φ36系列永磁直线步进电机

    接插件

  • φ36系列永磁直线步进电机

    刹车

1、技术规格:

绕组类型

单\双极性

电机结构

固定轴式、贯通轴式、外部驱动式

步距角

7.5

15

工作电压

V

5

12

5

12

每相电流

mA

560

230

560

230

每相电阻

Ω

9

52

9

52

每相电感

mH

11.5

72

8

56

步长

mm

0.0127

0.0254

0.0254

0.0508

0.0508

0.1016

注:参数可以根据客户要求订制。可选丝杆直径① 6.35 ② 4.77(mm),可选导程① 0.6096、1.0、1.2192、1.27、2.4384、2.54、4.0、8.0......(mm);② 0.635、1.27、2.54、5.08、10.16 ......(mm)。步长=(步距角度/360)*导程(mm)


2、步进速度和推力曲线

image

imageimage

image

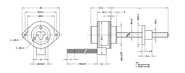
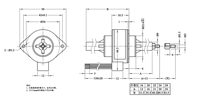
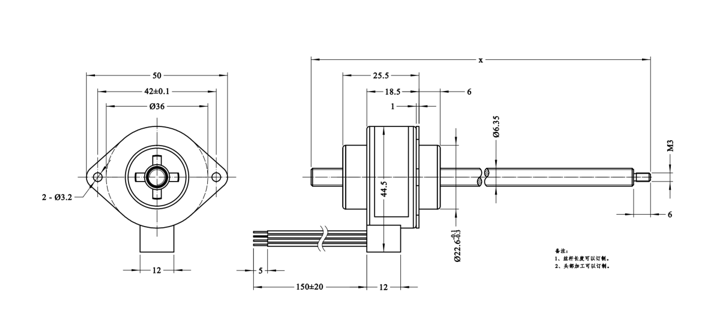
电机尺寸

1、固定轴式image

2、贯通轴式image

3、外驱式image

资料下载

Copyright 2023 版权所有 江苏富兴电机技术股份有限公司

靠谱外围半岛导航(官方)网站/网页版登录入口/手机版登录入口-最新版(已更新) 188BET正规权威网(官方)网站/网页版登录入口/手机版登录入口-最新版(已更新) 最大网上腾曜集团盘口(官方)网站/网页版登录入口/手机版登录入口-最新版(已更新) 网上腾曜集团导航(官方)网站/网页版登录入口/手机版登录入口-最新版(已更新) 权威网上雷火竞技足球(官方)网站/网页版登录入口/手机版登录入口-最新版(已更新) 朗驰娱乐最火导航(官方)网站/网页版登录入口/手机版登录入口-最新版(已更新) 靠谱十大雷火竞技网(官方)网站/网页版登录入口/手机版登录入口-最新版(已更新) 网上十大PM娱乐城网(官方)网站/网页版登录入口/手机版登录入口-最新版(已更新)