星空最新网上盘口

FL42BLA
产品中心 常规无刷电机

FL42BLA

42mm常规直流无刷电机,24VDC,方形,10极
选件:
  • FL42BLA

    编码器

  • FL42BLA

    齿轮箱

  • FL42BLA

    接插件

  • FL42BLA

    刹车

特性概要 ( General Specifications )

绕组连接方式 ( Winding Type )

星形 ( Star connection )

霍尔分布角度 ( Hall Effect Angle )

120度电角度 ( Electrical Angle of 120 degree)

径向间隙 ( Radial Play )

0.02mm@450g

轴向间隙 ( Axial Play )

0.08mm@450g

最大径向负载 ( Max radial force )

28N  距法兰20mm ( 20mm From the flange)

最大轴向负载 ( Max axial force )

10N

介电强度 ( Dielectric Strength )  

600VAC/1S

绝缘电阻 ( Insulation Resistance )

100MΩ, 500VDC

环境温度 ( Ambient Temperature )

-20°C   ~   +50°C

绝缘等级 (Insulation Class)

Class B 


接线说明(Electric Connection)

引出线型号Type

引出线颜色Color

功能Functions

UL1430 AWG26

红色  ( Red )

霍尔电源正  ( Vcc )


蓝色  ( Blue )

霍尔 U ( Hu )


绿色  ( Green )

霍尔 V ( Hv )


白色  ( White )

霍尔 W ( Hw )


黑色  ( Black )

霍尔电源负 ( GND )

UL1430 AWG20

黄色  ( Yellow )

U相 ( Phase U )


红色  ( Red )

V相 ( Phase V )


黑色  ( Black)

W相 ( Phase W )


电性能 (Electrical Specifications)



单 位 (Unit)

FL42BLA01

FL42BLA02

FL42BLA03

FL42BLA04

极数  ( Number of poles )


10

相数  ( Number of phases )


3

额定电压 ( Rated  voltage )

VDC

24

额定转矩 ( Rated torque)   

mN.m

70

160

260

360

连续运行转矩 ( Continuous stall torque)

mN.m

81

190

300

410

额定速度 ( Rated speed ) 

RPM

3000

3000

3000

3000

额定功率 ( Rated power ) 

W

22

50

81

113

峰值转矩 ( Peak torque )

mN.m

210

480

780

1080

峰值电流 ( Peak current )

A

3.9

8

13

17.5

线电阻 ( Line to line resistance )

ohms@20℃ 

2.6

1.1

0.7

0.5

线电感 ( Line to line inductance )

mH  

1.83

0.96

0.58

0.44

转矩常数 ( Torque constant )

N.m/A

0.054

0.06

0.06

0.062

反电势 ( Back EMF )

Vrms/KRPM

4.06

4.5

4.5

4.6

转动惯量 ( Rotor inertia )

g.cm2

48

101

154

207

机身长度 ( Motor length )    L

mm

40.3

60.3

80.3

100.3

重量 ( Weight )

Kg

0.26

0.46

0.65

0.85


该款电机可以根据客户需求定制。

The motor can be designed &manufactured with customized request.


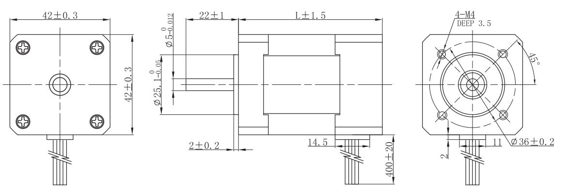
电机尺寸

image

资料下载
FL42BLA01 273.79 KB
FL42BLA03 273.97 KB
FL42BLA02 273.53 KB
FL42BLA04 274.26 KB

Copyright 2023 版权所有 江苏富兴电机技术股份有限公司

靠谱外围半岛导航(官方)网站/网页版登录入口/手机版登录入口-最新版(已更新) 188BET正规权威网(官方)网站/网页版登录入口/手机版登录入口-最新版(已更新) 最大网上腾曜集团盘口(官方)网站/网页版登录入口/手机版登录入口-最新版(已更新) 网上腾曜集团导航(官方)网站/网页版登录入口/手机版登录入口-最新版(已更新) 权威网上雷火竞技足球(官方)网站/网页版登录入口/手机版登录入口-最新版(已更新) 朗驰娱乐最火导航(官方)网站/网页版登录入口/手机版登录入口-最新版(已更新) 靠谱十大雷火竞技网(官方)网站/网页版登录入口/手机版登录入口-最新版(已更新) 网上十大PM娱乐城网(官方)网站/网页版登录入口/手机版登录入口-最新版(已更新)