星空最新网上盘口

FL40BL
产品中心 常规无刷电机

FL40BL

40mm直流无刷电机,12~36VDC,圆形,端盖机壳机加工
选件:
  • FL40BL

    编码器

  • FL40BL

    齿轮箱

  • FL40BL

    接插件

  • FL40BL

    刹车

特性概要 ( General Specifications )

绕组连接方式 ( Winding Type )

三角形 ( Delta connection )

霍尔分布角度 ( Hall Effect Angle )

120度电角度 ( Electrical Angle of 120 degree)

径向间隙 ( Radial Play )

preloaded

轴向间隙 ( Axial Play )

0.15mm@9N

最大径向负载 ( Max radial force )

15N  距法兰5mm ( 5mm From the flange)

最大轴向负载 ( Max axial force )

5N

介电强度 ( Dielectric Strength )  

500VAC/1S

绝缘电阻 ( Insulation Resistance )

100MΩ, 500VDC

环境温度 ( Ambient Temperature )

-20°C ~ +50°C

绝缘等级 (Insulation Class)

Class F 


接线说明(Electric Connection)

Pin No

引出线型号Type

引出线颜色Color

功能Functions

5

UL1332 AWG26

MOLEX 430250600

绿色  ( Green )

霍尔电源正  ( Vcc )

1


黄色  ( Yellow )

霍尔 U ( Hu )

2


棕色  ( Brown )

霍尔 V ( Hv )

3


灰色  ( Gray )

霍尔 W ( Hw )

4


蓝色  ( Blue )

霍尔电源负 ( GND )

1

UL1332 AWG20

MOLEX 39012040

红色  ( Red )

U相 ( Phase U )

2


黑色  ( Black)

V相 ( Phase V )

3


白色  ( White )

W相 ( Phase W )


电性能 (Electrical Specifications)  


单 位 (Unit)

FL40BL26-12V-9644B

FL40BL26-24V-10357B

FL40BL36-18V-8260B

FL40BL36-36V-8776B

极数  ( Number of poles )


14

相数  ( Number of phases )


3

额定电压 ( Rated  voltage )

VDC

12

24

18

36

额定转矩 ( Rated torque)

mN.m

43.3

52.8

68.7

83.4

连续运行转矩 ( Continuous stall torque)

mN.m

52

63

82

100

额定速度 ( Rated speed )

RPM

9660

10300

8230

8740

额定功率 ( Rated power ) 

W

44

57

60

76

峰值转矩 ( Peak torque )

mN.m

120

158

206

250

峰值电流 ( Peak current )

A

13.4

9.35

12.3

7.5

线电阻 ( Line to line resistance )

ohms@20℃ 

0.227

0.501

0.34

0.84

线电感 ( Line to line inductance )

mH  

0.109

0.39

0.18

0.64

转矩常数 ( Torque constant )

Nm/A

8.95

16.9

16.7

33.5

反电势 ( Back EMF )

Vrms/KRPM

0.66

1.25

1.23

2.48

转动惯量 ( Rotor inertia )

g.cm2

10.5

10.5

24.2

24.2

机身长度 ( Motor length )   L

mm

26

26

36

36

重量 ( Weight )

Kg

0.17

0.17

0.24

0.24


该款电机可以根据客户需求定制。

The motor can be designed &manufactured with customized request.


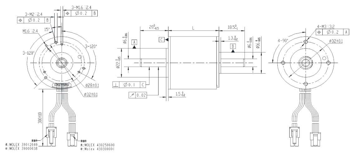
电机尺寸

image

资料下载

Copyright 2023 版权所有 江苏富兴电机技术股份有限公司

靠谱外围半岛导航(官方)网站/网页版登录入口/手机版登录入口-最新版(已更新) 188BET正规权威网(官方)网站/网页版登录入口/手机版登录入口-最新版(已更新) 最大网上腾曜集团盘口(官方)网站/网页版登录入口/手机版登录入口-最新版(已更新) 网上腾曜集团导航(官方)网站/网页版登录入口/手机版登录入口-最新版(已更新) 权威网上雷火竞技足球(官方)网站/网页版登录入口/手机版登录入口-最新版(已更新) 朗驰娱乐最火导航(官方)网站/网页版登录入口/手机版登录入口-最新版(已更新) 靠谱十大雷火竞技网(官方)网站/网页版登录入口/手机版登录入口-最新版(已更新) 网上十大PM娱乐城网(官方)网站/网页版登录入口/手机版登录入口-最新版(已更新)