星空最新网上盘口

FL42STH
产品中心 0.9°步进电机

FL42STH

0.9°,42mm,NEMA 17 STH结构混合式步进电机
选件:
  • FL42STH

    编码器

  • FL42STH

    齿轮箱

  • FL42STH

    接插件

  • FL42STH

    刹车

特性概要(General specification)

项目(Item)

说明(Specifications)

步距角(Step Angle)

0.9°

步距角精度(Step Angle Accuracy)

±5% (整步无负载,full step, no load)

径向间隙( Radial Play)

0.02mm@450 g

轴向间隙( Axial Play)

0.08mm@450 g

最大径向负载(Max. radial force)

28N  距法兰20mm  (20mm from the flange)

最大轴向负载(Max. axial force)

10N  

介电强度(Dielectric Strength)

600VAC / 1s

绝缘电阻(Insulation Resistance)

100MΩ ,500VDC

环境温度(Ambient Temperature)

-20。C~+50。C

绝缘等级(Insulation Class)

Class B

 

电性能(Electrical specifications)

型号(Model No.)

Current

/Phase

每相

电流

Resistance

/Phase

每相

电阻

Inductance

/Phase

每相

电感

Holding

Torque

保持

转矩

Detent

Torque

定位

转矩

# of Leads

引出线数

Rotor

Inertia

转动惯量

Weight

重量

Length

机身

长度

Single shaft(单出轴)

A

Ω

mH

N.m

N.m

#

g-cm2

kg

mm

FL42STH33-0956MA

0.95

4.2

4

0.158

0.020

6

35

200

33.5±1

FL42STH33-1334MA

1.33

2.1

5.1

0.220

4

FL42STH38-1206MA

1.2

3.5

4.1

0.259

0.022

6

54

220

39.5±1

FL42STH38-1684MA

1.68

1.8

4.1

0.330

4

FL42STH47-1206MA

1.2

3.3

4.9

0.317

0.025

6

68

250

47.5±1

FL42STH47-1684MA

1.68

1.8

5.5

0.4

4


该款电机可以根据客户需求定制。

The motor can be designed &manufactured with customized request.


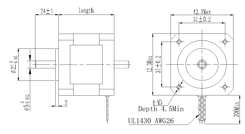
电机尺寸

image



接线图(Wiring Diagram)

image


矩频曲线 (Pull out torque curve)    

image

image



资料下载
FL42STH33-1334MA 81.93 KB
FL42STH33-0956MA 82.54 KB
FL42STH38-1206MA 82.28 KB
FL42STH38-1684MA 81.69 KB
FL42STH47-1206MA 82.47 KB
FL42STH47-1684MA 81.93 KB

Copyright 2023 版权所有 江苏富兴电机技术股份有限公司

靠谱外围半岛导航(官方)网站/网页版登录入口/手机版登录入口-最新版(已更新) 188BET正规权威网(官方)网站/网页版登录入口/手机版登录入口-最新版(已更新) 最大网上腾曜集团盘口(官方)网站/网页版登录入口/手机版登录入口-最新版(已更新) 网上腾曜集团导航(官方)网站/网页版登录入口/手机版登录入口-最新版(已更新) 权威网上雷火竞技足球(官方)网站/网页版登录入口/手机版登录入口-最新版(已更新) 朗驰娱乐最火导航(官方)网站/网页版登录入口/手机版登录入口-最新版(已更新) 靠谱十大雷火竞技网(官方)网站/网页版登录入口/手机版登录入口-最新版(已更新) 网上十大PM娱乐城网(官方)网站/网页版登录入口/手机版登录入口-最新版(已更新)