星空最新网上盘口

iBLD60W-H-T
产品中心 一体式集成驱动器外转子无刷电机

iBLD60W-H-T

它采用32位专用电机控制芯片,集成度高、体积小、拥有完善的保护措施。该电机采用新型的PWM控制技术,使无刷电机运行具有转速高、振动小、噪声低、平稳性好等优点。
选件:
  • iBLD60W-H-T

    编码器

  • iBLD60W-H-T

    齿轮箱

  • iBLD60W-H-T

    接插件

  • iBLD60W-H-T

    刹车

特点:

1、采用32位电机控制专用芯片

2、输入电压9VDC~30VDC,宽电压输入

3、支持多种调速模式(PWM\模拟量)

4、具备启停、正反转、刹车等控制功能

5、高精度的速度、电流双闭环控制

6、采用有hall传感器控制方式

7、具有过压、欠压、过流、过温、堵转等保护功能

8、超高性价比,经济高效

9、可接受定制化


典型案例:

广泛应用于各种中小型自动化设备和仪器,例如:电子加工设备、3C非标自动化设备、锁螺丝机、剥线机、绕线机、端子机、激光机、打标机、喷绘机、中小型雕刻机、自动抓取设备、专用数控机床、包装设备和机器人等。


产品概述:

它采用32位专用电机控制芯片,集成度高、体积小、拥有完善的保护措施。该电机采用新型的PWM控制技术,使无刷电机运行具有转速高、振动小、噪声低、平稳性好等优点。


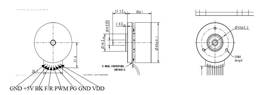
控制端口:

引脚号

信号

功能

说明

1

GND

传感器电源地

传感器电源地,与主电源共地

2

+5V

传感器+5V电源

传感器+5V电源,输出电流<=30mA

3

BK

刹车信号

悬空或接高电平无效(2.6V~24V)

接低电平刹车有效(0V~0.7V)

4

F/R

方向信号

CW\CCW高低电平极性可软件配置

高电平(2.6V~24V

低电平(0V~0.7V)

5

SV/PWM

调速信号

模拟量调速:0.5V~5V

PWM频率支持1K~20K  

PWM调速:0~5%全速

5~95%线性调速

 95~100%停止

6

PG

转速信号

TTL-5V电平,1脉冲/1对极/

7

GND

电源负极

电源输入负端

8

VDD

电源正极

电源输入正端,输入电压9V~30Vdc


电机尺寸

image

资料下载
iBLD60W-H-T外转子系列驱动器使用说明书 - 有感方波 588.99 KB
调试软件 196 B
2D 784.34 KB
3D 1000.7 KB

Copyright 2023 版权所有 江苏富兴电机技术股份有限公司

靠谱外围半岛导航(官方)网站/网页版登录入口/手机版登录入口-最新版(已更新) 188BET正规权威网(官方)网站/网页版登录入口/手机版登录入口-最新版(已更新) 最大网上腾曜集团盘口(官方)网站/网页版登录入口/手机版登录入口-最新版(已更新) 网上腾曜集团导航(官方)网站/网页版登录入口/手机版登录入口-最新版(已更新) 权威网上雷火竞技足球(官方)网站/网页版登录入口/手机版登录入口-最新版(已更新) 朗驰娱乐最火导航(官方)网站/网页版登录入口/手机版登录入口-最新版(已更新) 靠谱十大雷火竞技网(官方)网站/网页版登录入口/手机版登录入口-最新版(已更新) 网上十大PM娱乐城网(官方)网站/网页版登录入口/手机版登录入口-最新版(已更新)