星空最新网上盘口

FL80SV
产品中心 轮边电机

FL80SV

编码器类型:磁编码器 备注:多种分辨率可选,增量式、绝对值式可选。
选件:
  • FL80SV

    编码器

  • FL80SV

    齿轮箱

  • FL80SV

    接插件

  • FL80SV

    刹车

一般技术特性 (General Technical Information)

编码器类型

(Encoder type)

1、磁编码器 Magnetic encoder

备注:多种分辨率可选,增量式、绝对值式可选。

Note: Multiple resolutions are availableIncremental   and absolute values are available.

径向负载

( Max radial force )

4500N

 

 

 

环境条件

Environmental   conditions

使用环境温度: -20~ +50℃;

Temperature: -20~ +50

使用环境湿度:≤90%RH(无凝露);

Relative humidity: 90%RH(No   dewing)

安装环境:远离腐蚀、可燃性气体,油滴,灰尘,

海拔≤1000m(1000~4000m,降额使用)

Installation environment: Far away active gas,

Combustible gas, oil drop, ash.

altitude1000m(1000~4000mDerating   use)

存储环境:-20~ +85℃,≤85%RH(无凝露)。

Storage Condition: -20~ +85℃,≤85%RH(No   dewing).

轴向负载

( Max axial force )

600N

绝缘等级

(Insulation Class)

Class F

防护等级

(Protection level)

IP54


电机减速后技术性能 (Motor Technical Specification)

类型     (Model

单位(Unit)

FL80SV75

FL80SV75

减速比(Reduction Ratio


20:1

28:1

额定功率(Rated power)                  Pn

W

750

750

额定电压(Rated voltage)                 U

V

48VDC

48VDC

额定转速(Rated speed)                  nn

RPM

150

100

额定转矩(Rated torque)                 Tn

N·m

44.9

70

额定电流(Rated current)                 In

A

20

21

最大转速(Maximum speed)             nmax

RPM

225

110.5

最大转矩(Maximum torque)             Tm

N·m

134.7

210

最大电流(Maximum current)             Im

 A

60

63

电阻(Line to line resistance)              RL

Ω

0.07

0.081

电感(Line to line inductance)             LL

mH

0.23

0.27

反电势系数(Back EMF)       ;          Ke

V/Krpm

7.5

8

转矩系数(Torque constant)               Kt

Nm/A

0.125

0.133

电气时间常数(Electrical time constant)    τe

ms

3.1

3.1

机械时间常数(Mechanical time constant) τm

ms

1.65

1.65

转动惯量(Rotor inertia)                 Jm0

kg.cm2

1.56

1.56

转动惯量带制动器(Rotor inertia with brake) Jm1

kg.cm2

1.685

1.685

极数(Number of poles)


10

10

编码器(Encoder)


2500ppr磁编码器(增量式)

2500p/rev   Magnetic encoder

机身长度(Motor length)                 L

mm

107

107

机身长度带制动器(Motor length with brake) L

mm

144

      144

重量 (Weight)

Kg

6.1

6.1

重量带制动器(Weight with brake)

Kg

5.5

5.5

根据要求,该款电机可以设计和制造成定制的类型。

*This motor can be designed & manufactured with customized request.

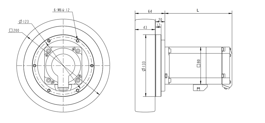
电机尺寸

image

资料下载
FL80SV75-48V-28EC2-HBT28 180.95 KB
FL80SV75-48V-30EC2-HBT20-1 184.82 KB

Copyright 2023 版权所有 江苏富兴电机技术股份有限公司

靠谱外围半岛导航(官方)网站/网页版登录入口/手机版登录入口-最新版(已更新) 188BET正规权威网(官方)网站/网页版登录入口/手机版登录入口-最新版(已更新) 最大网上腾曜集团盘口(官方)网站/网页版登录入口/手机版登录入口-最新版(已更新) 网上腾曜集团导航(官方)网站/网页版登录入口/手机版登录入口-最新版(已更新) 权威网上雷火竞技足球(官方)网站/网页版登录入口/手机版登录入口-最新版(已更新) 朗驰娱乐最火导航(官方)网站/网页版登录入口/手机版登录入口-最新版(已更新) 靠谱十大雷火竞技网(官方)网站/网页版登录入口/手机版登录入口-最新版(已更新) 网上十大PM娱乐城网(官方)网站/网页版登录入口/手机版登录入口-最新版(已更新)